8CH対応電子ボリュームの製作
セレクター機能付き電子ボリュームをオークションで出品していたら質問が来て、
「チャンデバを使用しています。スピーカーが4WAYなので 4つのスピーカーの音量を別々に変更できるボリュームは
つくれませんか?」と、こんな感じの内容だった。
そのときは、セレクターなので貴方が思っているものと別物だから不可能と返事をだしました。
そのあと、過去に製作したPGA2311の基板4枚と、セレクターの制御基板を組み合わせればできるのではないかと思い
製作してみました。
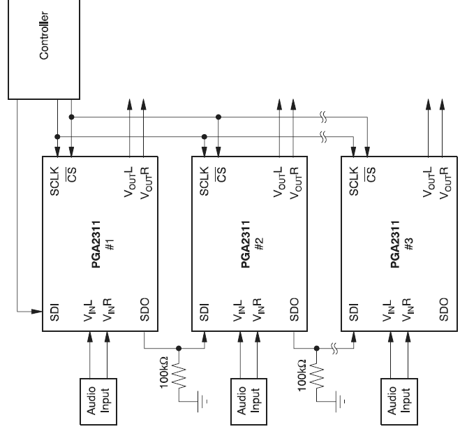
データシートを見るとこのように書かれています。
つまり、データを連続で送るとバケツリレーのように次のPGA2311に送られるわけです。

過去に製作したPGA2311のみの基板には、次のPGA2311にデータを送る端子と、
その場合に必要な抵抗(100KΩ)を取り付けられるように設計していました。

4枚のPGA2311基板と、制御用基板を接続した状態です。

LEDでどのPGA2311基板をコントロールしているか、確認できます。

プログラムもセレクター版を少し変更するだけでした。
8chすべてコントロールできるのですが、LEDが4個しか無い、左右別々に変更する必要も余り無いので、
左右同じ音量です。基板単位での音量変更となります。
プログラムはここ、HEXはここです。(コンパイルにはCCSが必要です。)

実際に音声信号を入れてテストを行い、基板別に制御出来る事を確認しました。

もどる。