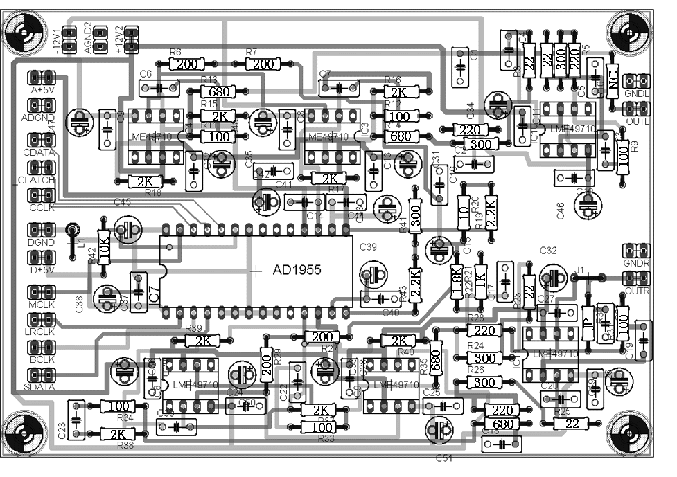
抵抗の配置図



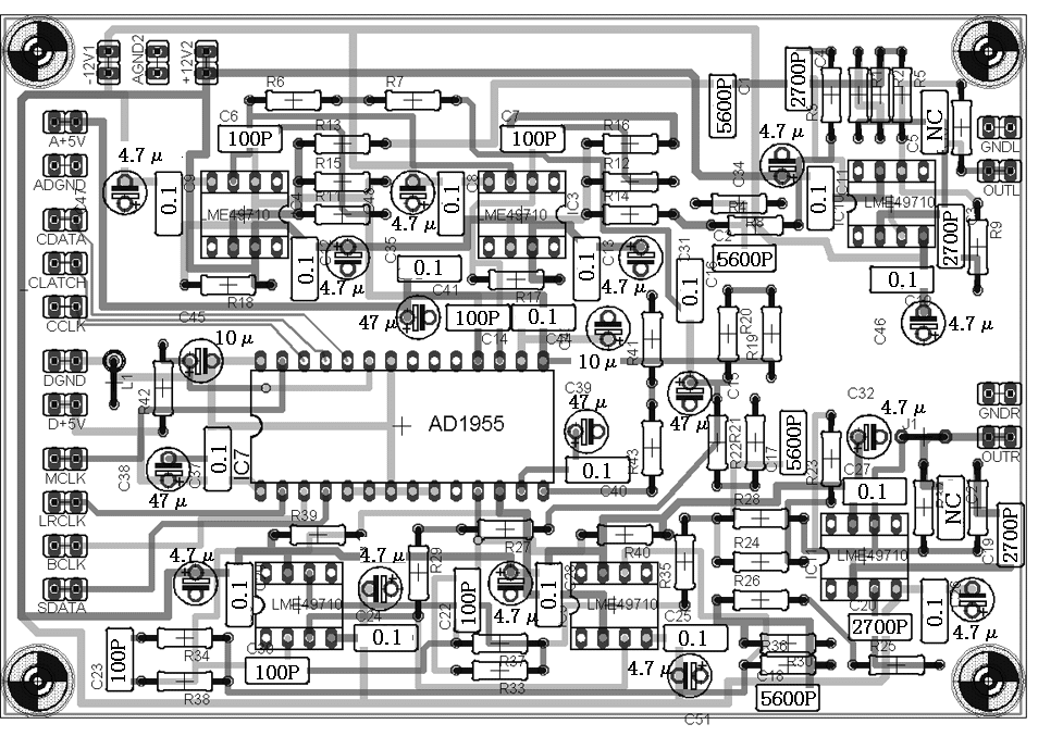
コンデンサの配置図


戻る